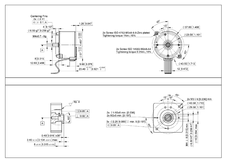
KIT最小可以20mm直径多圈绝对值磁性编码器,Posital专为安装空间极其有限的运动控制应用而开发。整机长度仅 31 mm,是博思特Posital目前积最小的多圈绝对值编码器。尽管尺寸更小,它们仍能提供与其他编码器产品相同的完整性能规格。此外,借助 基于 Wiegand 技术的无电池旋转计数,这些微型编码器几乎无需维护。

认证 认证/寿命 码制 码 二进制码

机器人手臂用的编码器常用型号:
KCD-BC33B-1617-U01C-JAQ上一篇: 暂无上一篇
下一篇:暂无下一篇
相关新闻
更多